
甲苯流量計
- 品*:JKM/凱銘儀表
- 型號:JKM-LWGY
- 測量范圍:0.04~800m3/h
- 精度等級:0.5級、1.0級
- 公稱通徑:DN4~DN200
- 適用介質:水 油 醇 純凈液體
- 工作壓力:1.6~6.3MPa
- 工作溫度:-20~+100℃
- 供電方式:24VDC 3.6V鋰電池
- 訂貨號:EDMFDUUIA367
甲苯流量計概述
LWGY 型渦輪流量計是一種精密流量測量儀表,與相應的流量積算儀表配套可用于測量液體的流量和總量。與定量控制儀配套使用,可以對液體加料進行高精度定量控制。廣泛用于石油、化工、冶金、科研等領域的計量。控制系統。配備有衛生接頭的渦輪流量傳感器可以應用于制藥行業:渦輪流量計還可與控制室中的二次儀表相連,實現積算、傳輸、通訊和控制功能。

甲苯流量計測量原理
渦輪流量計適合于測量粘度低的液體,具有精度高、可承受的工作壓力大等特點。廣泛用于石油化工、冶金、科研等領域,也可用于食品行業和液壓系統上。前置放大器分一般型和防爆型,流量計有普通型和耐磨型,其中耐磨型除軸承和軸采用硬質合金( 25mm 口徑以下軸承采用紅剛玉)外,并設計成對葉輪有適當的反推力,使之更適合于測量汽油等潤滑性能較差的液體。
傳感器有普通型、高精度型和耐磨型 ( 硬制合金 ) 等多種形式。放大器有普通型和隔爆型兩種,該傳感器還可與 LRT-I 型現場流量積算表配套使用 ( 鋰電池供電, 1 年更換電池 ) 。
LWGY 型渦輪流量傳感器是一種精密流量測量儀表,適用于測量低粘度的介質,如水、柴油、汽油等。與相應的流量積算儀表配套可用于測量液體的流量和總量。廣泛用于石油、化工、冶金、科研等領域的計量、控制系統。


甲苯流量計技術參數
執行標準:渦輪流量傳感器(JB/T9246-1999)
儀表口徑(mm)及連接方式:4、6、10、15、20、25、32、40、50、65、80采用螺紋連接
精度等級:±1%R、±0.5%R、±0.2%R(需特制)
量程比:1:10;1:15;1:20
傳感器材質:304不銹鋼、316(L)不銹鋼等
使用條件:介質溫度:-20℃~+120℃;環境溫度:-20℃~+60℃;相對濕度:5%~90%;大氣壓力:86Kpa~106Kpa
信號輸出功能:脈沖信號、4~20mA信號
通訊輸出功能:RS485通訊、HART協議等
工作電源:外電源:+24VDC±15%,紋波≤±5%,適用于4-20mA輸出、脈沖輸出、RS485等;內電源:1組3.0V10AH鋰電池,電池電壓在2.0V~3.0V時均可正常工作。
信號線接口:基本型:豪斯曼接頭或自帶三芯線纜;防爆型:內螺紋M20*1.5
防爆等級:ExiaIICT4或ExdIIBT6
防護等級:IP65或更高(可訂制)



甲苯流量計分類及特點
1.儀表名稱:LWY型現場顯示甲苯流量計
功能特點:中文液晶顯示瞬時流量、累計流量、頻率、密度、信號切除等,有3.6V和DC24V兩種供電選擇

2.儀表名稱:LWYC型現場顯示帶電流輸出甲苯流量計
功能特點:可顯示瞬時流量、瞬時電流值、流量上限、流量下限等參數,DC24V供電

3.儀表名稱:LWGB型甲苯流量計
功能特點:可輸出4-20mA電流信號,DC24V供電

4.儀表名稱:LWGY型渦輪傳感器
功能特點:DC12-36V供電,本身不顯示數據需要和顯示器配合顯示

甲苯流量計流量范圍及壓力選型表

甲苯流量計選型
渦輪流量計正確選型才能保證流量計更好的使用。選用什么種類的流量計應根據被測流體介質的物理性質和化學性質來決定?使渦輪流量計的通徑、流量范圍、襯里材料、電極材料和輸出電流等?都能適應被測流體的性質和流量測量的要求.
1、精密功能檢查
精度等級和功能根據測量要求和使用場合選擇儀表精 度等級,做到經濟合算。比如用于貿易結算、產品交接和能源計量的場合,應該選擇精度等級高些,如1.0級、0.5級,或者更高等級; 用于過程控制的場合,根據控制要求選擇不 同精度等級;有些僅僅是檢測一下過程流量,無需做精確控制和計量的場合,可以選擇精度等級稍低的,如1.5級、2.5級,甚至 4.0級,這時可以選用價格低廉的插入式渦輪流量計。
2、可測量的介質
測量介質流速、儀表量程與口徑 測量一般的介質時,渦輪流量計的滿度 流量可以在測量介質流速0.5-12m/s范圍內 選用,范圍比較寬。選擇儀表規格(口徑)不一 定與工藝管道相同,應視測量流量范圍是否 在流速范圍內確定,即當管道流速偏低,不能滿足流量儀表要求時或者在此流速下測量準 確度不能保證時,需要縮小儀表口徑,從而提 高管內流速,得到滿意測量結果。

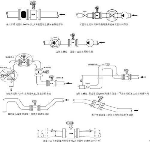
甲苯流量計安裝
1、為了確保渦輪流量計的測量準確,必須正確地選擇安裝位置和方法
2、對直管段的要求:流量計必須水平安裝在管道上(管道傾斜在5以內),安裝時流量計軸線應與管道軸線同心,流向要一致。 流量計上游管道長度應有不小于2D的等徑直管段,如果安裝場所充許建議上游直管段為20D、下游為5D。
3、對配管的要求:流量計安裝點的上下游配管的內徑與流量計內徑相同。
4、對旁通管的要求:為了保證流量計檢修時不影響介質的正常使用,在流量計的前后管道上應安裝切斷閥門(截止閥),同時應設置旁通管道。流量控制閥要安裝在流量計的下游,流量計使用時上游所裝的截止閥必須全開,避免上游部分的流體產生不穩流現象。
5、對外部環境的要求:流量計*好安裝在室內,必須要安裝在室外時,一定要采用防曬、防雨.防雷措施,以免影響使用壽命。
6、對介質中含有雜質的要求:為了保證流量計的使用壽命,應在流量計的直管段前安裝過濾器。
7、安裝場所:流量計應安裝在便于維修,無強電磁干擾與熱輻射的場所
8、對安裝焊接的要求:用戶另配一對標準法蘭焊在前后管道上。不允許帶流量計焊接! 安裝流量計前應嚴格清除管道中焊渣等臟物,*好用等徑的管道(或旁通管)代替流量計進行吹掃管道。以確保在使用過程中流量計不受損壞。 安裝流量計時,法蘭間的密封墊片不能凹入管道內。
9、流量計接地的要求:流量計應可靠接地,不能與強電系統地線共用。
10、對于防爆型產品的要求:為了儀表安全正常使用,應復核防爆型流量計的使用環境是否與用戶防爆要求規定相符,且安裝使用過程中,應嚴格遵守**防爆型產品使用要求,用戶不得自行更改防爆系統的連接方式,不得隨意打開儀表。 選型在規定的流量范圍內,防止超速運行,以保證獲得理想準確度和保證正常使用壽命。 安裝流量計前應清理管道內雜物:碎片、焊渣、石塊、粉塵等推薦在上游安裝5微米篩孔的過濾器用于阻擋液滴和沙粒。 流量計投運時應緩慢地先開啟前閥門,后開啟后閥門,防止瞬間氣流沖擊而損害渦輪。 加潤滑油應按告示*操作,加油的次數依氣質潔凈程度而定,通常每年2-3次。由于試壓、吹掃管道或排氣造成渦輪超速運轉,以及渦輪在反向流中運轉都會可能使流量計損壞。 流量計運行時不允許隨意打開前.后蓋,更動內部有關參數,否則將影響流量計的正常運行。 小心安裝墊片,確保沒有突出物進入管道,以防止干擾正常的流量測量。 流量計在標定時要在流量計取壓口上采集壓力。


上一篇:乙醇流量計|不銹鋼液體渦輪式
下一篇:瀝青流量計|高溫高粘容積式


